TIP



¶存储器芯片的输入输出信号

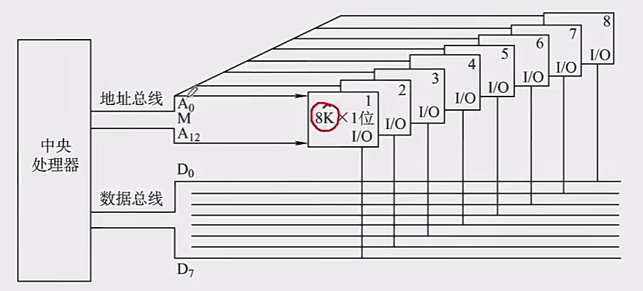
¶位扩展


¶字扩展




TIP
字位扩展相关例题

首先,我们发现,以 4B 为编址单位,则如果使用 8KB(8K*8 位)的存储芯片构造 32 KB 的存储体时,显而易见:首先肯定要先完成位拓展,因为原芯片不能按 4B 寻址;其次,在考虑字扩展,本题中,恰好,当完成位扩展后总容量刚好为 32KB,故无需进行字扩展。
¶总结

TIP
补充知识-译码器

74LS138

(完)